PE-6CT MIMOA(ミモア)
和空間のゆとりを引き立てる鋳物製ペレットストーブ。
前モデル「Mimi」の「ミニマル」「小さなエネルギーで効率よく」というコンセプトを引き継ぎ、扉を鋳物製にすることでさらに暖房効率が良くなりました。
本体価格税別 630,000円
(税込693,000円)
※設置工事費等別途
|
メーカー |
TOYOTOMI |
|
給排気方式 |
強制給排気形 強制対流型+自然対流型 |
| 暖房出力 | 3.25~5.96kw |
| 暖房能力 |
温暖地 木造11畳/コンクリート15畳 寒冷地 木造11畳/コンクリート17畳 |
| 消費電力 |
着火時 285〜680w 燃焼時 50w |
|
燃料消費量 |
0.6~1.1kg/h |
|
タンク容量 |
9kg |
| 燃焼時間 | 15時間(最大燃焼時8時間) |
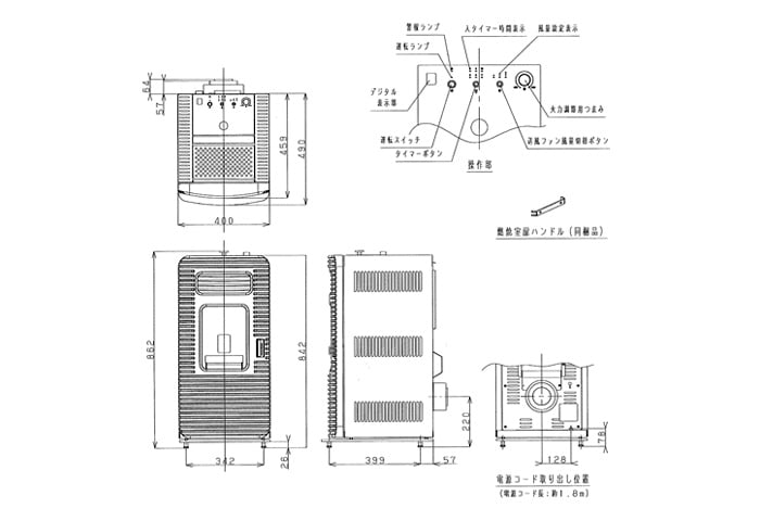
| サイズ | W400×D490×H842mm |
| 本体重量 | 103kg |
| カラー | ブラック |
| その他 |
・ヤカンや鍋などを乗せられます。 ・自然対流に切り替え可能 |
(株)ナックス
〒403-0004山梨県富士吉田市下吉田9丁目27-29
TEL 0555-28-4818/FAX 0555-23-3057
(株)ナックスは (株)シラス自工のグループ会社です。
ペレットストーブ・ナックスはリンクフリーです。
リンク先 http://www.nacs-stove.com

その他リンク